



- ПроизводительELESA+GANTER
Доставка по Беларуси: транспортной компанией
Оплата: на расчетный счет Поставщика
Самовывоз: г. Минск, 3-й пер. Монтажников, д 3.
Информация о товаре и ценах носит исключительно информационный характер. Актуальную стоимость и наличие товара просьба уточнять дополнительно в отделе продаж.
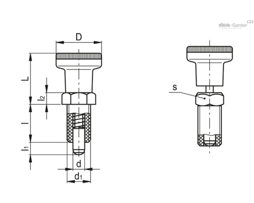
Корпус с резьбой
СУПЕР-технополимер на основе полиамида (PA), армированный стекловолокном.
Штифт
Закаленная сталь с чёрной оксидной плёнкой или нержавеющая сталь AISI 303.
Рекомендуемый допуск для соответствия отверстию = H7.
Поворотная ручка
Высокоэластичный технополимер на основе полиамида (PA), чёрный цвет или красный цвет RAL 3000 (C6), матовая отделка.
пружина
Нержавеющая сталь AISI 302.
Контргайка
NTT: армированный стекловолокном СУПЕР-технополимер на основе полиамида (PA)
Доступны также в качестве аксессуара, продаваемого отдельно (см. таблицу).
Стандартные исполнения
PMT.100-A:плунжер из стали с чёрной оксидной плёнкой, без контргайки.
PMT.100-AK: плунжер из стали с чёрной оксидной плёнкой, с контргайкой (поставляется в разобранном виде).
PMT.200-SST-A:плунжер из нержавеющей стали AISI 303, без контргайки, немагнитный.
PMT.100-SST-AK: плунжер из нержавеющей стали AISI 303, с контргайкой (поставляется в разобранном виде), немагнитный.
Общие характеристики
- Группа изделийШтифты стопорные (фиксаторы)
- МатериалНержавеющая сталь
- ЦветRAL 3000
Основные размеры
- Винт с резьбой, ммM10x1
- Диаметр штифта, мм5
- Длина, мм23
Нет отзывов об этом товаре.
