







- ПроизводительELESA+GANTER
Доставка по Беларуси: транспортной компанией
Оплата: на расчетный счет Поставщика
Самовывоз: г. Минск, 3-й пер. Монтажников, д 3.
Информация о товаре и ценах носит исключительно информационный характер. Актуальную стоимость и наличие товара просьба уточнять дополнительно в отделе продаж.
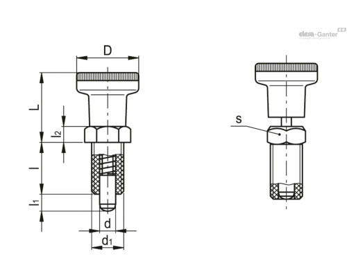
Корпус с резьбой
Специальный СУПЕР-технополимер на основе полиамида (PA), армированный стекловолокном, синий цвет RAL 5005.
Штифт
Нержавеющая сталь AISI 303.
Рекомендуемый допуск для соответствия отверстию = H7.
Поворотная ручка
Высокоэластичный технополимер на основе полиамида (PA), синий цвет RAL 5005, матовая отделка.
Произведен из сырья, соответствующего требованиям Управления по санитарному надзору за качеством пищевых продуктов и медикаментов США (FDA CFR.21 и EU 10/2011).
Пружина
Нержавеющая сталь AISI 302.
Контргайка
NTT-VD: Специальный СУПЕР-технополимер на основе полиамида (PA), армированный стекловолокном, синий цвет RAL 5005.
Доступны также в качестве аксессуара, продаваемого отдельно (см. таблицу).
Стандартные исполнения
PMT.100-SST-A-VD: без контргайки.
PMT.100-SST-AK-VD: с контргайкой, поставляется в разобранном виде.
Общие характеристики
- Группа изделийШтифты стопорные (фиксаторы)
- МатериалНержавеющая сталь
Основные размеры
- Винт с резьбой, ммM10x1
- Диаметр штифта, мм5
- Длина, мм23
Нет отзывов об этом товаре.
