



- ПроизводительELESA+GANTER
Доставка по Беларуси: транспортной компанией
Оплата: на расчетный счет Поставщика
Самовывоз: г. Минск, 3-й пер. Монтажников, д 3.
Информация о товаре и ценах носит исключительно информационный характер. Актуальную стоимость и наличие товара просьба уточнять дополнительно в отделе продаж.
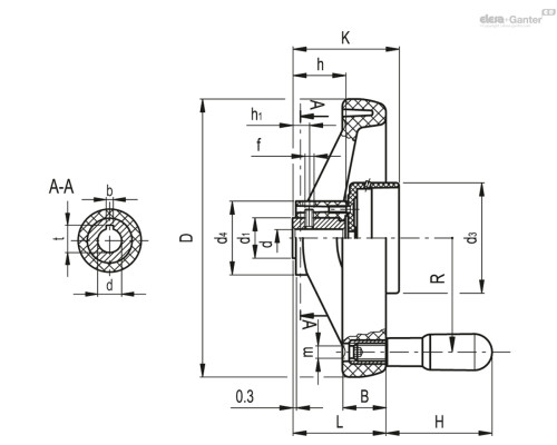
Материал
Высокоэластичный технополимер на основе полипропилена (PP), чёрный цвет, матовая отделка.
Корпус индикатора
Технополимер на основе полиамида (PA), армированный стекловолокном, черный цвет, матовая отделка.
Вращающаяся ручка
I.621+x из технополимера на основе полиамида (PA), чёрный цвет, матовая отделка.
Стандартные исполнения
Втулка из стали с чёрной оксидной плёнкой, развёрнутое глухое отверстие H7, установка на вал с помощью поставляемого установочного винта с гнездом для шестигранной головки и чашеобразным концом UNI 5929-85.
VRTP-GXX2: без ручки.
VRTP-GXX2+I: с ручкой
Исполнения: K с отверстием и пазом в соответствии с DIN 6885/1, допустимое отклонение.
VRTP-GXX2-K: без ручки.
VRTP-GXX2+I-K: с вращающейся ручкой.
Общие характеристики
- Группа изделийМаховики с индикатором
- МатериалТехнополимер
Основные размеры
- Длина, мм200
- Отверстие, мм16
Нет отзывов об этом товаре.
