





- ПроизводительELESA+GANTER
Доставка по Беларуси: транспортной компанией
Оплата: на расчетный счет Поставщика
Самовывоз: г. Минск, 3-й пер. Монтажников, д 3.
Информация о товаре и ценах носит исключительно информационный характер. Актуальную стоимость и наличие товара просьба уточнять дополнительно в отделе продаж.
Материал
Высокопрочный дюропласт на основе фенола (PF), чёрный цвет, глянцевая отделка.
Кольца
Анодированный алюминий, матовая поверхность.
(оригинальный дизайн Elesa - зарегистрированный в США патент & TM Off).
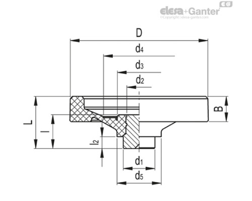
Стандартные исполнения
Втулка из стали, покрытой черной оксидной пленкой, с развернутым отверстием H7.
Развернутое отверстие H9 для вариантов исполнения со шпоночным пазом.
- VDN.FP-A: без ручки.
- VDN.FP+I-A: с вращающейся ручкой I.301+x из дюропласта.
- VDN.FP+IR-A: со складной ручкой IR.407 из дюропласта.
- VDN.FP+IRS-A: с автоматической складной безопасной ручкой типа "Fold-O-matic"® IRS.820 из технополимера.
- K: индекс для исполнений с отверстием и шпоночным пазом в соответствии с DIN 6885/1, производственный допуск P9, т. е.:
73650-10-K VDN.50 FP-A10-K
Стальная втулка, покрытая черной оксидной пленкой, не просверлена для изготовления нестандартных отверстий:
- VDN.FP: без ручки.
- VDN.FP+I: с вращающейся ручкой I.301+x из дюропласта.
- VDN.FP+IR: со складной ручкой IR.407 из дюропласта.
- VDN.FP+IRS: С автоматически откидывающейся рукояткой "Fold-O-matic"® IRS.820 из технополимера.
Общие характеристики
- Группа изделийМаховички цельнолитые
- РукояткаБез ручки
- Тип сборкиБез сверления
- МатериалДюропласт
Основные размеры
- Отверстие, мм44
- Внешний диаметр D, мм125
Нет отзывов об этом товаре.
