- ПроизводительELESA+GANTER
Доставка по Беларуси: транспортной компанией
Оплата: на расчетный счет Поставщика
Самовывоз: г. Минск, 3-й пер. Монтажников, д 3.
Наша компания работает только с Юридическими лицами и Индивидуальными предпринимателями
Отгрузка товара производится на сумму ТОЛЬКО свыше 100 руб. в течение 1 рабочего дня, при наличии на складе в Минске.
Информация о товаре и ценах носит исключительно информационный характер. Актуальную стоимость и наличие товара просьба уточнять дополнительно в отделе продаж.

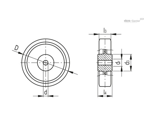
ПОКРЫТИЕ
Изготовленный по образцу полиуретан, твёрдость по Шору 92 по шкале А.
ЦЕНТРАЛЬНАЯ ЧАСТЬ КОЛЕСА
Чугун.
СТАНДАРТНЫЕ ИСПОЛНЕНИЯ
- RBL: Ступица непосредственно выполняется в центре. Ступица колеса разработана таким образом, что может быть легко обработана для получения шпоночного паза или корпуса для зажима. Любые дальнейшие повторные обработки на колесе должны производиться с максимальной рабочей температурой до 80°С, (рекомендуемая макс. предельная температура во время нормальной эксплуатации продукта) для предотвращения ухудшения качества полиуретанового покрытия. Идеальное решение для оборудования с приводными колёсами.
- RSL: ступица с шариковыми подшипниками. Идеальное решение для больших нагрузок и непрерывного перемещения.
Общие характеристики
- Группа изделийПолиуретановые колёса
- Несущая способность4500
Основные размеры
- Внешний диаметр, мм125
Нет отзывов об этом товаре.
