- ПроизводительELESA+GANTER
Доставка по Беларуси: транспортной компанией
Оплата: на расчетный счет Поставщика
Самовывоз: г. Минск, 3-й пер. Монтажников, д 3.
Наша компания работает только с Юридическими лицами и Индивидуальными предпринимателями
Отгрузка товара производится на сумму ТОЛЬКО свыше 100 руб. в течение 1 рабочего дня, при наличии на складе в Минске.
Информация о товаре и ценах носит исключительно информационный характер. Актуальную стоимость и наличие товара просьба уточнять дополнительно в отделе продаж.

ПОКРЫТИЕ
Термопластичное колесо серого цвета, не оставляющее следов, твердость по Шору А 85.
ЦЕНТРАЛЬНАЯ ЧАСТЬ КОЛЕСА
Технополимер на основе полипропилена (PP).
КАЧЕНИЕ
Ступица со сквозным отверстием.
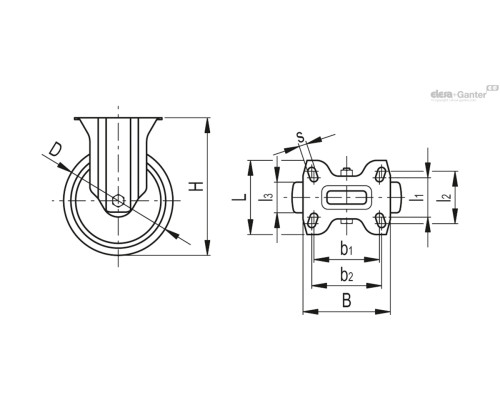
КРОНШТЕЙН НЕПОДВИЖНОЙ ПЛАСТИНЫ
Оцинкованный стальной лист, кронштейн предназначен для выдерживания нагрузок до 1800 Н.
КРОНШТЕЙН ПОВОРОТНОЙ ПЛАСТИНЫ
Оцинкованный стальной лист, кронштейн предназначен для выдерживания нагрузок до 1800 Н. Наличие двойного шарикоподшипника и прямой контакт между пластиной и кольцом шарикоподшипника со встроенным штифтом обеспечивают превосходную манёвренность. Не требует обслуживания.
Он состоит из:
1. крепежная пластина: электролитически оцинкованная стальная пластина;
2. вилка: электролитически оцинкованная стальная пластина;
3. кольцо шарикового подшипника: электролитически оцинкованная стальная пластина;
4. центральная цапфа: встроенная в пластину, холодная штамповка;
5. система ротации: кольцо шарика с консистентной смазкой с обеих сторон;
6. пылезащитное уплотнение: технополимер серого цвета RAL 7015, доступно только для исполнений SBL и SBF.
ТОРМОЗ
Общий тормоз, блокирующий колесо и кронштейн.
Оптимизированные размеры и убирающаяся педаль обеспечивают минимальное занимаемое пространство и максимальное удобство приведения в действие. Пружина из закаленной углеродистой стали.
СТАНДАРТНЫЕ ИСПОЛНЕНИЯ
- PBL: кронштейн неподвижной пластины, без тормоза.
- SBL: кронштейн поворотной пластины, без тормоза.
- SBF: кронштейн поворотной пластины, с тормозом.
- FBL: кронштейн поворотной пластины и центральное сквозное отверстие, без тормоза.
- FBF: кронштейн поворотной пластины и центральное сквозное отверстие, с тормозом.
Общие характеристики
- Группа изделийКолёса с шинами из резины
- Несущая способность1800
- МатериалСталь
Основные размеры
- Внешний диаметр, мм150
Нет отзывов об этом товаре.
