- ПроизводительELESA+GANTER
Доставка по Беларуси: транспортной компанией
Оплата: на расчетный счет Поставщика
Самовывоз: г. Минск, 3-й пер. Монтажников, д 3.
Наша компания работает только с Юридическими лицами и Индивидуальными предпринимателями
Отгрузка товара производится на сумму ТОЛЬКО свыше 100 руб. в течение 1 рабочего дня, при наличии на складе в Минске.
Информация о товаре и ценах носит исключительно информационный характер. Актуальную стоимость и наличие товара просьба уточнять дополнительно в отделе продаж.

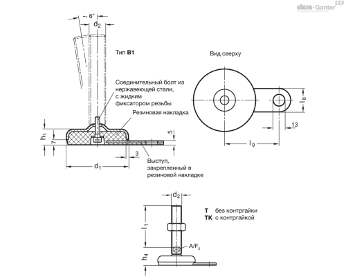
Тип (Опорная пластина)
- Тип B1: матовая поверхность, дробеструйная обработка, резиновая подкладка, чёрный цвет
Вариант исполнения (винт)
- Вариант исполнения S: без гайки, внешний шестигранник в основании
- Вариант исполнения SK: с гайкой, внешний шестигранник в основании
- Вариант исполнения T: без гайки, лыска под ключ в основании
- Вариант исполнения TK: с гайкой, лыска под ключ в основании
- Вариант исполнения U: без гайки, со шлицем под шестигранник сверху, с гранью под ключ в основании
- Вариант исполнения UK: с гайкой, со шлицем под шестигранник сверху, с гранью под ключ в основании
- Вариант исполнения V: без гайки, с внешним шестигранником сверху, с гранью под ключ в основании
- Вариант исполнения VK: с гайкой, с внешним шестигранником сверху, с гранью под ключ в основании
- Вариант исполнения W: с регулируемой муфтой, с закрытой резьбой, с гранью под ключ в основании
- ВариантX: Внешний шестигранник со внутренней резьбой
Опорная пластина / фланец
Нержавеющая сталь AISI 304
Резьбовой стержень
Нержавеющая сталь AISI 303
Шестигранные гайки ISO 4032
Нержавеющая сталь AISI 304
Резиновая подкладка, инкрустрированная
чёрный цвет, NBR (Пербунан®)
твёрдость по Шору А 80 ± 5
Общие характеристики
- Группа изделийРегулируемые опоры
- МатериалНержавеющая сталь
Основные размеры
- Винт с резьбой, ммM16
- Длина, мм75
Нет отзывов об этом товаре.
