+375 (29) 837-67-67 info@promkomplekt.by
Избранное
Сравнение
Ваша корзина пуста!
Корзина
Гарантия: 12 месяцев
Доставка по Беларуси: транспортной компанией
Оплата: на расчетный счет Поставщика
Самовывоз: г. Минск, 3-й пер. Монтажников, д 3.

Наша компания работает только с Юридическими лицами и Индивидуальными предпринимателями
Отгрузка товара производится на сумму ТОЛЬКО свыше 100 руб. в течение 1 рабочего дня, при наличии на складе в Минске.

Информация о товаре и ценах носит исключительно информационный характер. Актуальную стоимость и наличие товара просьба уточнять дополнительно в отделе продаж.
Достаточно
Цена по запросу
Без НДС: Цена по запросу


Материал

Высокоэластичный технополимер на основе полипропилена (PP), чёрный цвет, матовая отделка.

Основания без противоскользящего диска

LS.A-PP: основание без крепления к полу.

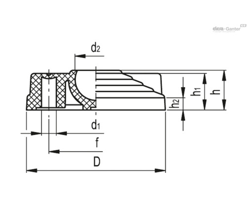
LV.F-PP: основание с двумя отверстиями под углом в 180°, покрытое мембраной (которая может быть легко удалена при помощи металлического инструмента), для предотвращения осаждения вредных для здоровья грязи и пыли, когда крепление к полу не требуется (см. рис. 1).

ОСНОВАНИЯ БЕЗ УСТАНОВЛЕННОГО ПРОТИВОСКОЛЬЗЯЩЕГО ДИСКА

Противоскользящий диск из резины на основе этилен-пропиленового каучука, твёрдость по Шору 70 по шкале А.

LS.A-PP-AS: основание без крепления к полу.

LV.F-PP-AS: основание с двумя отверстиями под углом в 180°, покрытое мембраной (которая может быть легко удалена при помощи металлического инструмента), для предотвращения осаждения вредных для здоровья грязи и пыли, когда крепление к полу не требуется (см. рис. 1).

Общие характеристики

  • Группа изделий
    Регулируемые опоры
  • Материал
    Полипропилен

Основные размеры

  • Длина, мм
    80
  • Отверстие, мм
    8.5
Отзывов: 0

Нет отзывов об этом товаре.

ELESA+GANTER
ELESA+GANTER
Elesa+Ganter — это международный производитель стандартных компонентов для машиностроения и промышленной автоматизации. Компания, основанная в Германии, специализируется на выпуске высококачественных крепежных элементов, рукояток, колес, линейных нап... Подробнее...
Похожие товары
Основание для опор LV.F-100-PP-24 (390342) ELESA+GANTER
Группа изделий: Регулируемые опоры Материал: Полипропилен Длина, мм: 100 Отверстие, мм: 12.5
Достаточно
Цена по запросу
Без НДС: Цена по запросу
Основание для опор LS.A-40-PP-14-AS (370231) ELESA+GANTER
Группа изделий: Регулируемые опоры Материал: Полипропилен Длина, мм: 40 Отверстие, мм: 14
Достаточно
Цена по запросу
Без НДС: Цена по запросу
Основание для опор LS.A-50-PP-14-AS (370235) ELESA+GANTER
Группа изделий: Регулируемые опоры Материал: Полипропилен Длина, мм: 50 Отверстие, мм: 14
Достаточно
Цена по запросу
Без НДС: Цена по запросу
Основание для опор LS.A-60-PP-14-AS (370241) ELESA+GANTER
Группа изделий: Регулируемые опоры Материал: Полипропилен Длина, мм: 60 Отверстие, мм: 14
Достаточно
Цена по запросу
Без НДС: Цена по запросу
Основание для опор LV.F-80-PP-24-AS (390832) ELESA+GANTER
Группа изделий: Регулируемые опоры Материал: Полипропилен Длина, мм: 80 Отверстие, мм: 8.5
Достаточно
Цена по запросу
Без НДС: Цена по запросу

Нажимая «Принимаю», вы даете согласие на обработку файлов cookie и Политика конфиденциальности.