



Доставка по Беларуси: транспортной компанией
Оплата: на расчетный счет Поставщика
Самовывоз: г. Минск, 3-й пер. Монтажников, д 3.
Информация о товаре и ценах носит исключительно информационный характер. Актуальную стоимость и наличие товара просьба уточнять дополнительно в отделе продаж.
Материал:
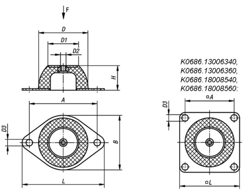
Металлические детали: сталь класса прочности 5.6. Эластомер: натуральный каучук, средняя твердость, твердость по Шору (на выбор): 40А или 60А..
Исполнение:
Сталь оцинкованная. Виброопоры с крепежными отверстиями и внутренней резьбой, тип H2.
Образец заказа:
K0568.00800855
Примечание:
На устройства, не закрепленные на фундаменте и установленные на чувствительных напольных покрытиях (например, на оргтехнику). На машинное оборудование, например, на станки, кондиционеры (сплит-системы), компрессоры и насосы (на валы). Виброопоры с креплением хорошо подходят для установки хрупких инструментов и небольших устройств.
Диапазон температур:
-30 °C до +80 °C
Общие характеристики
- Кол-во крепежных отверстий, шт2
- Межкрепежное расстояние A, мм124
- Ширина B, мм101
- Диаметр D, мм90
- Диаметр D1, мм58
- Диаметр отверстия D3, мм11,5
- Высота H, мм45
- Обозначение резьбыM10
- Материал основыСталь
- ТипH2
Нагрузки
- Нагрузка, кг219.240
Основные размеры
- Длина, мм151
Нет отзывов об этом товаре.